Product Summary
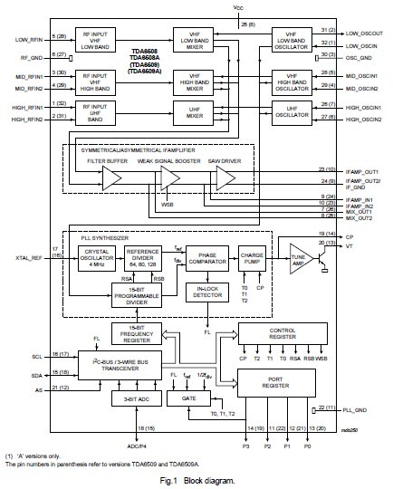
The TDA6508ATT is a programmable 3-band mixer oscillator and synthesizer intended for LOW, MID and HIGH band TV and VCR tuners. It has three double balanced mixers and three oscillators for the LOW, MID and HIGH band respectively, a PLL synthesizer, and an IF amplifier. The application of the TDA6508ATT include: 3-band tuner for terrestrial TV, DVD-R, VCR and PC TV.
Parametrics
TDA6508ATT specifications: (1)VCC supply voltage: min=4.5V, typ=5V, max=5.5V; (2)On the conditions of VCC=5V; all ports off, ICC supply current: min=43mA, typ=58mA, max=74mA; (3)On the condition of Rxtal25Ω to 300Ω, fxtal crystal oscillator frequency: min=3.58MHz, typ=4.0MHz, max=4.43MHz; (4)Ptot total power dissipation: typ=290mW, max=385mW; (5)Tstg IC storage temperature: min=-40℃, max=+150℃; (6)Tamb ambient temperature: min=-20℃, max=+85℃.
Features
TDA6508ATT features: (1)33 V tuning voltage output; (2)In-lock flag; (3)5-step analog-to-digital converter (3 bits in I2C-bus mode); (4)15-bit programmable divider; (5)Programmable reference divider ratio (64, 80 or 128); (6)Programmable charge-pump current (20 or 100 mA); (7)Balanced mixer with a common emitter input for LOW band (single input); (8)Balanced mixer with a common emitter input for MID band (balanced input); (9)Balanced mixer with a common base input for HIGH band (balanced input).
Diagrams

![]() |
![]() TDA6048-5X |
![]() Other |
![]() |
![]() Data Sheet |
![]() Negotiable |
|
||||
![]() |
![]() TDA6050-5 |
![]() Other |
![]() |
![]() Data Sheet |
![]() Negotiable |
|
||||
![]() |
![]() TDA6051-5X |
![]() Other |
![]() |
![]() Data Sheet |
![]() Negotiable |
|
||||
![]() |
![]() TDA6060G |
![]() Other |
![]() |
![]() Data Sheet |
![]() Negotiable |
|
||||
![]() |
![]() TDA6060XS |
![]() Other |
![]() |
![]() Data Sheet |
![]() Negotiable |
|
||||
![]() |
![]() TDA6101Q |
![]() Other |
![]() |
![]() Data Sheet |
![]() Negotiable |
|
||||
(China (Mainland))








