Product Summary
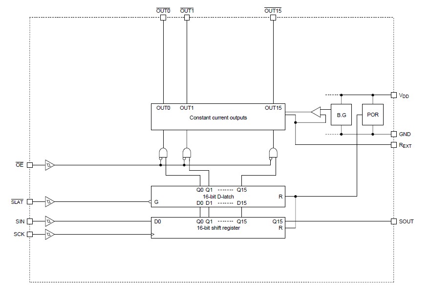
The TB62747AFG is comprised of the constant-current driver designed for LED and LED panel display. The regulated current source is designed to provide a constant current, which is adjustable through one external resistor. The TB62747AFG incorporates 16 channels of shift register, latches, AND gates and constant-current outputs. Fabricated using the Bi-CMOS process, the TB62747AFG satisfies the system requirement of high-speed data transmission. The TB62747AFG is RoHS compatible.
Parametrics
TB62747AFG absolute maximum ratings: (1)Power supply voltage VDD -0.4 to 6.0 V; (2)Output current IO 55 mA; (3)Logic input voltage VIN .0.3 to VDD + 0.3~2 V; (4)Output voltage VO -0.3 to 26 V; (5)Operating temperature Topr -40 to 85 ℃; (6)Storage temperature Tstg -55 to 150 ℃.
Features
TB62747AFG features: (1)Power supply voltages: VDD = 3.3 V to 5.0 V; (2)16-output built-in; (3)Output current setting range; (4)Constant current output voltage: VO = 26 V (max); (5)Fast response of output current : twOE(L) = 100 ns (min); (6)Control data format: serial-in, parallel-out; (7)Input signal voltage level: 3.3 V and 5 V CMOS interfaces(Schmitt trigger input); (8)Serial data transfer rate: 25 MHz (max) @cascade connection; (9)Operation temperature range: Topr = -40 to 85℃; (10)Power on reset (POR).
Diagrams

| Image | Part No | Mfg | Description | ![]() |
Pricing (USD) |
Quantity | ||||||||||||||||
|---|---|---|---|---|---|---|---|---|---|---|---|---|---|---|---|---|---|---|---|---|---|---|
![]() |
![]() TB62747AFG(O,EL) |
![]() Toshiba |
![]() LED Lighting Drivers 16-Output LED Driver VDD 3.3V to 5.0V |
![]() Data Sheet |
![]()
|
|
||||||||||||||||
| Image | Part No | Mfg | Description | ![]() |
Pricing (USD) |
Quantity | ||||||||||||||||
![]() |
![]() TB62200AF |
![]() Other |
![]() |
![]() Data Sheet |
![]() Negotiable |
|
||||||||||||||||
![]() |
![]() TB62201AFG |
![]() Other |
![]() |
![]() Data Sheet |
![]() Negotiable |
|
||||||||||||||||
![]() |
![]() TB62201AFG(EL) |
![]() Toshiba |
![]() Motor / Motion / Ignition Controllers & Drivers Combination Motor Driver |
![]() Data Sheet |
![]() Negotiable |
|
||||||||||||||||
![]() |
![]() TB62202AFG(EL) |
![]() Toshiba |
![]() Motor / Motion / Ignition Controllers & Drivers Combination Motor Driver |
![]() Data Sheet |
![]() Negotiable |
|
||||||||||||||||
![]() |
![]() TB62206FG(O,EL) |
![]() |
![]() IC STEPPER MOTOR DRIVER 20HSOP |
![]() Data Sheet |
![]()
|
|
||||||||||||||||
![]() |
![]() TB62209FG(EL) |
![]() Toshiba |
![]() Motor / Motion / Ignition Controllers & Drivers Stepping Motor Driver |
![]() Data Sheet |
![]() Negotiable |
|
||||||||||||||||
(China (Mainland))










