Product Summary
The EPM3512AFC256-10N is a programmable logic device. The EPM3512AFC256-10N is a low–cost, high–performance device based on the Altera MAX architecture. Fabricated with advanced CMOS technology, the EEPROM–based EPM3512AFC256-10N device operate with a 3.3-V supply voltage and provide 600 to 10,000 usable gates, ISP, pin-to-pin delays as fast as 4.5 ns, and counter speeds of up to 227.3 MHz. EPM3512AFC256-10N device in the –4, –5, –6, –7, and –10 speed grades is compatible with the timing requirements of the PCI Special Interest Group (PCI SIG) PCI Local Bus Specification.
Parametrics
EPM3512AFC256-10N absolute maximum ratings: (1)VI DC input voltage –2.0 ~ 5.75 V; (2)IOUT DC output current, per pin –25 ~ 25 mA; (3)TSTG Storage temperature No bias –65 ~ 150 ℃; (4)TA Ambient temperature Under bias –65 ~ 135 ℃; (5)TJ Junction temperature PQFP and TQFP packages, under bias 135 ℃; (6)VCC Supply voltage With respect to ground (2) –0.5~4.6 V.
Features
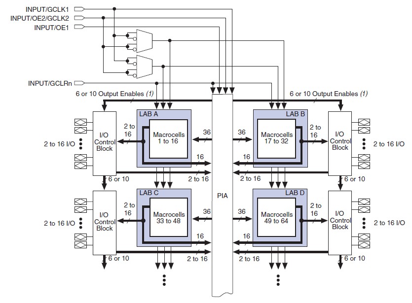
EPM3512AFC256-10N features: (1)High-performance, low-cost CMOS EEPROM.based programmable logic devices (PLDs) built on a MAXR architecture; (2)3.3-V in-system programmability (ISP) through the built-in IEEE Std-1149-1 Joint Test Action Group (JTAG) interface with; (3)advanced pin-locking capability-ISP circuitry compliant with IEEE Std-1532; (4)Built-in boundary-scan test (BST) circuitry compliant with IEEE Std-1149-1-1990; (5)Enhanced ISP features: Enhanced ISP algorithm for faster programming-ISP_Done bit to ensure complete programming-Pull-up resistor on I/O pins during in-system programming; (6)High-density PLDs ranging from 600 to 10,000 usable gates; (7)4.5ns pin-to-pin logic delays with counter frequencies of up to 227.3 MHz; (8)MultiVoltTM I/O interface enabling the device core to run at 3.3 V, while I/O pins are compatible with 5.0V, 3.3V, and 2.5V logic levels; (9)Pin counts ranging from 44 to 256 in a variety of thin quad flat pack (TQFP), plastic quad flat pack (PQFP), plastic J-lead chip carrier (PLCC), and FineLine BGATM packages; (10)Hot-socketing support; (11)Programmable interconnect array (PIA) continuous routing structure for fast, predictable performance; (12)Industrial temperature range.
Diagrams

| Image | Part No | Mfg | Description | ![]() |
Pricing (USD) |
Quantity | ||||||
|---|---|---|---|---|---|---|---|---|---|---|---|---|
![]() |
![]() EPM3512AFC256-10N |
![]() |
![]() IC MAX 3000A CPLD 512 256-FBGA |
![]() Data Sheet |
![]()
|
|
||||||
| Image | Part No | Mfg | Description | ![]() |
Pricing (USD) |
Quantity | ||||||
![]() |
![]() EPM3 |
![]() Meterman |
![]() Test Accessories - Other COMBINATION PHASE & MOTOR ROT TESTER |
![]() Data Sheet |
![]() Negotiable |
|
||||||
![]() |
![]() EPM3032ALC44-10 |
![]() |
![]() IC MAX 3000A CPLD 32 44-PLCC |
![]() Data Sheet |
![]()
|
|
||||||
![]() |
![]() EPM3032ALC44-10N |
![]() |
![]() IC MAX 3000A CPLD 32 44-PLCC |
![]() Data Sheet |
![]()
|
|
||||||
![]() |
![]() EPM3032ALC44-4 |
![]() |
![]() IC MAX 3000A CPLD 32 44-PLCC |
![]() Data Sheet |
![]()
|
|
||||||
![]() |
![]() EPM3032ALC44-4N |
![]() |
![]() IC MAX 3000A CPLD 32 44-PLCC |
![]() Data Sheet |
![]()
|
|
||||||
![]() |
![]() EPM3032ALC44-7 |
![]() |
![]() IC MAX 3000A CPLD 32 44-PLCC |
![]() Data Sheet |
![]()
|
|
||||||
(China (Mainland))











